Слив-перелив с компактной подводкой Jacob Delafon ОБЩАЯ КАТЕГОРИЯ E6050-CP
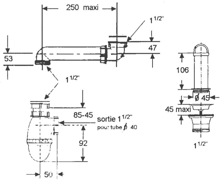
Код товара: 652-615-600Слив с полипропиленовым переливом и компактной подводкой.
| Производитель | Jacob Delafon |
| Код товара | 112759 |
| Бренд | Jacob Delafon |
| Коллекция | ОБЩАЯ КАТЕГОРИЯ |
| Тип товара | Аксессуары для смесителей |
| Вес, кг | 0.48 |
| Код модели | E6050 |
| Артикул | E6050-CP |
Отзывы
Оставьте отзыв об этом товаре первым!
Категории:





